トップページ
製品一覧
コントロールモータ
電動調節弁・電磁弁・
電動ダンパ
ポジショナ・変換器
スイッチ
エンジン制御機器
燃焼制御機器
制御盤・配電盤
耐圧防爆
自動制御機器
比例電磁弁・
ソレノイド製品
アプリケーション
新製品情報
ダウンロード
カタログ
取扱説明書
CADデータダウンロード
会社概要
会社概要
沿革
ご挨拶
ビジネス方針
地図
(本社・東京営業所)
採用情報
お問い合わせ
HOME
>
電動調節弁・電磁弁・電動ダンパ
>
電動調節弁
> VR212-1 質量/図面
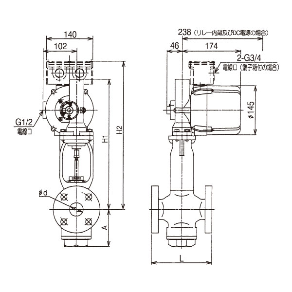
電動単座2方調節弁 VR□□-212Fシリーズ
VR3-212F形
電動単座2方調節弁(操作機:MR-3)
VR6-212F形
電動単座2方調節弁(操作機:MR-6)
口径15~40A
口径50~100A
口径
d
L
A
H1
H2
質量kg
15A
15
140
91
385
435
12
20A
20
140
91
385
435
12
25A
25
170
103
395
445
16
32A
32
170
103
395
445
16
40A
40
180
110
390
440
17
50A
50
240
146
420
470
26
65A
65
280
148
433
483
32
80A
80
280
148
43
483
32
100A
100
350
194
453
503
57
単位:mm
端子箱付きの質量は0.5kg増しになります。
フランジ規格 JIS10KFF(フランジ規格表参照)
Search for:
コントロールモータ
MVBシリーズ
MCシリーズ
MCHシリーズ
MCHTシリーズ 100~1000N・m
MCHT シリーズ 押し切り機能付き
MPZシリーズ
MSシリーズ
押し切り機能付多回転操作機
ラック式電動操作機
電源オフリターン形ボール弁操作機
比例制御コントロールモータ
耐圧防爆形コントロールモータ
電動調節弁・電磁弁・電動ダンパ
電動調節弁
電動単座2方調節弁
緩急単座2方調節弁
電動複座2方調節弁
緩急複座2方調節弁
電動混合3方調節弁
電動混合3方調節弁手動ハンドル付き
電動バタフライ弁
電動ボール弁
電動ハイスピードボール弁
電動ボール2方調節弁
V-ROLL電動2方調節弁
(生産終了)VVCP形キャパシタ式電動ボール弁
2方電磁弁
通電励磁開 直結形 VB-2323シリーズ
通電励磁開 セパレート形 VB-2325シリーズ
2方電磁弁 VB-2324□シリーズ
2方電磁弁 VB-2326□シリーズ
電動ダンパ
ポジショナ・変換器
デジタル電々ポジショナ
電々ポジショナ RX-1003PUI形
電々ポジショナ RX-1003PU形
バランシングリレー(RX-1001PUL形)
R-I変換器(EG-514形)
スイッチ
レベルスイッチ
フローリレー
圧力スイッチ
エンジン制御機器
スピードコントローラ
アクチュエータ
ディジタルガバナコントローラ
発電機用制御機器
気動車用燃料制御機器
燃焼制御機器
制御盤・配電盤
耐圧防爆自動制御機器
コントロールモータ dMC-1,6/dMCH-6
コントロールモータ dMCH-10,20
コントロールモータ dMCHTシリーズ
コントロールモータ dMPZシリーズ
コントロールモータ dMC-50,35,24
ソレノイドバルブ dVB-2323形
ソレノイドバルブ dVB-2324形
ソレノイドバルブ dVB-2325形
ソレノイドバルブ dVB-2326形
モーターバルブ dVRHシリーズ
フローリレー
フロートスイッチ dAFシリーズ
フロートスイッチ dAFAシリーズ
比例電磁弁・ソレノイド製品
アプリケーション
比例制御用アプリケーション
標準回路と使用例